Photovoltaic systems are generally composed of components, inverters, grid-connected cabinets and power grids. As a form of low-voltage power distribution, photovoltaic system leakage current is a problem that cannot be ignored. At present, the measures taken to prevent leakage hazards in photovoltaic systems are as follows: Install a leakage protector, but frequent tripping and burning of the leakage protection switch (marked during editing) also occurs from time to time. This document will start with the working principle of the leakage protector, and focus on how to select and install the leakage protector for the photovoltaic system.
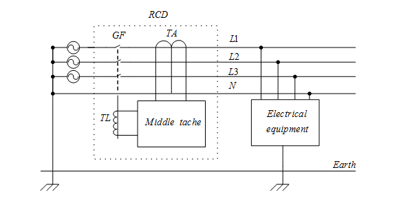
The full name of the leakage protector is the residual current action protector, which is mainly composed of three parts: the detection element, the intermediate amplification link and the operating actuator. When electrical equipment leaks electricity, it will show abnormal current and voltage signals. The leakage protection device detects the abnormal current or abnormal voltage signal, and after signal processing, it prompts the actuator to act, and quickly cuts off the power supply with the help of the switchgear to implement leakage protection. Figure 1 is a general wiring diagram of a leakage protection switch in a three-phase four-wire system.

When the protected circuit leaks or someone gets an electric shock, due to the existence of the leakage current, the phasor sum of the load current of each phase of the primary side of TA is no longer equal to zero, that is, IL1+IL2+IL3+IN≠0 produces a residual current, TA 2 The secondary side coil has an induced electromotive force. This signal is processed and compared by the intermediate link. When it reaches the predetermined value, the main switch shunt release line TL is energized, and the main switch GF is driven to trip automatically, and the protected circuit is quickly cut off. power supply for protection.
Cause of leakage trip
1. The insulation resistance of the DC part is too low
Insulation resistance is to detect the DC part of the photovoltaic system, including components and DC cables. When the inverter detects that the insulation resistance of the positive pole or negative pole of the component side to the ground is too low, it means that the insulation resistance of the DC side cables or components to the ground is abnormal.
Low insulation resistance is a common fault in photovoltaic systems. The components, DC cables, and joints are damaged. The aging of the insulation layer will cause low insulation resistance. When the DC cable passes through the bridge, because there may be barbs on the edge of the metal bridge, during the threading process, It is possible to damage the outer insulation of the cable and cause leakage to the ground.
2. AC leakage current
Leakage current is also called square array residual current, which is caused by the parasitic capacitance between the photovoltaic system and the earth. When a loop is formed between the parasitic capacitance-photovoltaic system-grid, in a photovoltaic system without a transformer, the loop impedance is relatively Smaller, the common-mode voltage will form a larger common-mode current, that is, leakage current, on the parasitic capacitance between the photovoltaic system and the ground.
The threshold value of the DC insulation fault alarm is 30mA, and the threshold value of the leakage current fault is 300mA, so when the insulation layer of the DC part is damaged, the insulation resistance will be reported first, and the inverter will stop. A leakage current fault will be reported. When the inverter has a leakage current fault, generally check the inverter and the AC part.
3. Poor installation of leakage protection
If the terminals of the leakage protector are not connected firmly during installation, over a long period of time, the terminals will often be heated and oxidized, and the insulation layer of the wires will be scorched, accompanied by the smell of fire and rubber and plastic burning, resulting in circuit breakers. Undervoltage trips the leakage protector.
4. The quality problem of missing guarantee itself
When purchasing leakage protectors, users should try their best to buy them from reputable designated manufacturers or stores, and never try to buy "three noes" leakage protectors from self-employed individuals for a short time, which is often not worth the candle.
5. Leakage protection does not match photovoltaic capacity
The output current of the photovoltaic system exceeds the rated current of the leakage protector, causing the leakage protector to trip.
6. Grid voltage is too high
Due to the unbalanced three-phase or the disturbance of small animals such as mice, the main neutral line of the power supply will be disconnected and the voltage will drift, and the phase voltage will change from 220V to 380V, which will cause the leakage protector to trip.

